Kocioł na paliwo stałe to serce wielu polskich domów, odpowiedzialne za komfort cieplny. W obliczu dynamicznie zmieniających się przepisów i rosnącej świadomości ekologicznej, zrozumienie jego działania, dostępnych rodzajów oraz obowiązujących norm jest absolutnie kluczowe dla każdego właściciela nieruchomości, który myśli o efektywnym i zgodnym z prawem ogrzewaniu.
Kocioł na paliwo stałe kompleksowy przewodnik po ogrzewaniu domu zgodnie z normami
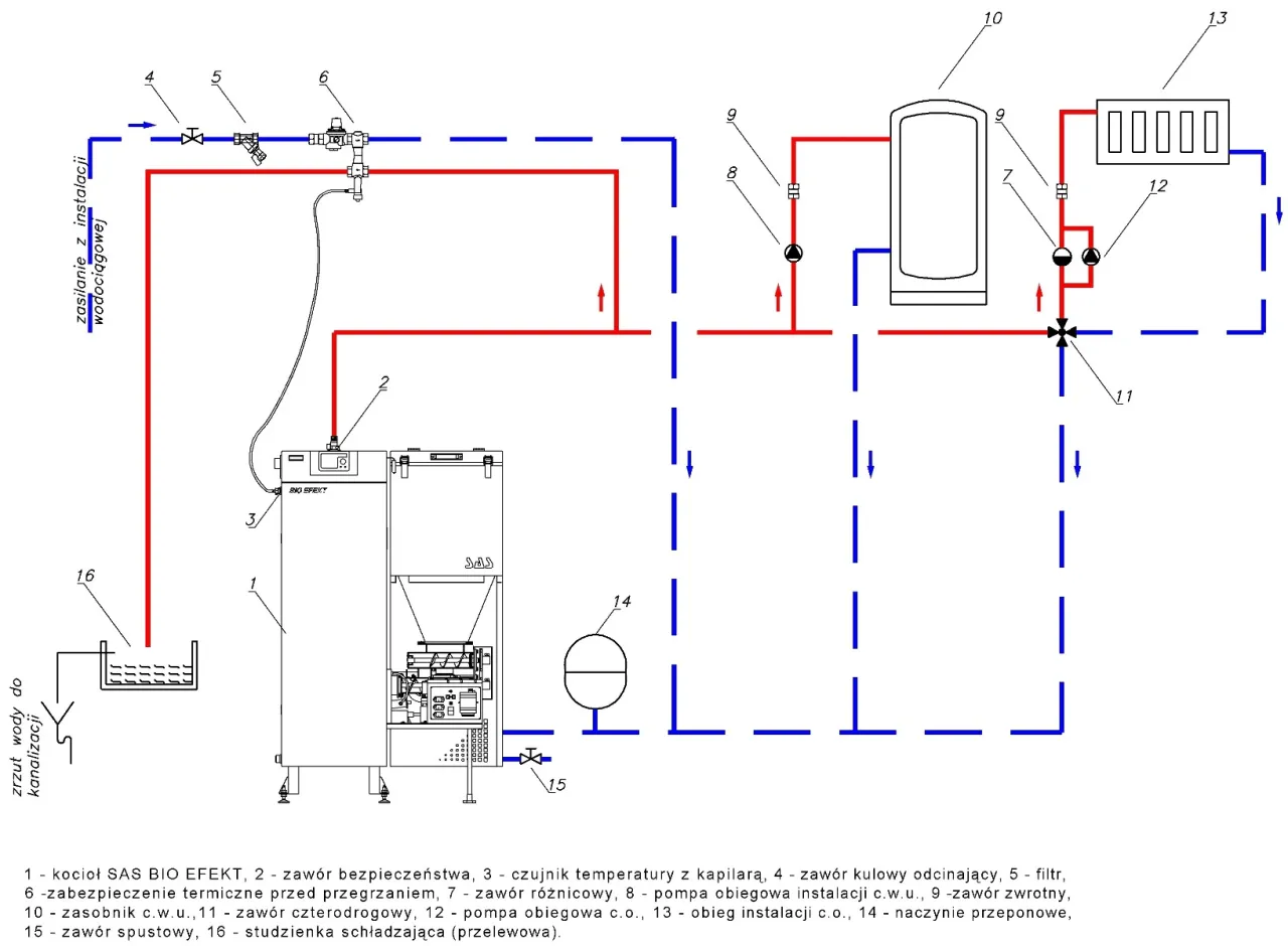
- Kocioł na paliwo stałe to urządzenie grzewcze spalające węgiel, biomasę lub drewno, które ogrzewa wodę w instalacji centralnego ogrzewania i ciepłej wody użytkowej.
- Wszystkie nowe kotły muszą spełniać rygorystyczne normy 5. klasy emisyjnej (PN-EN 303-5:2012) oraz posiadać certyfikat Ecodesign, co gwarantuje wysoką sprawność i niską emisję zanieczyszczeń.
- Rynek dominuje przez kotły z podajnikiem automatycznym (na ekogroszek lub pellet), które oferują wygodę użytkowania i stałopalność przez wiele dni.
- Najpopularniejsze paliwa to ekogroszek, ekologiczny pellet drzewny oraz drewno kawałkowe, szczególnie efektywne w kotłach zgazowujących.
- Właściciele domów mogą skorzystać z programów dofinansowań, takich jak "Czyste Powietrze", oraz muszą przestrzegać lokalnych uchwał antysmogowych dotyczących wymiany starych urządzeń.
Kocioł na paliwo stałe: co to jest i dlaczego warto go znać?
Definicja dla początkujących: od ognia do ciepła w Twoim domu
Z mojego doświadczenia wynika, że wielu ludzi nadal ma mgliste pojęcie o tym, czym dokładnie jest kocioł na paliwo stałe. Najprościej rzecz ujmując, to urządzenie grzewcze, które przekształca energię chemiczną zawartą w paliwach stałych takich jak węgiel, drewno, pellet czy inna biomasa w energię cieplną. Ta energia, w postaci gorącej wody, jest następnie rozprowadzana po całym domu poprzez instalację centralnego ogrzewania (C.O.) oraz służy do podgrzewania ciepłej wody użytkowej (C.W.U.). To właśnie dzięki niemu możemy cieszyć się komfortem cieplnym, niezależnie od pogody za oknem.
Zasada działania krok po kroku: jak spalanie paliwa zamienia się w ogrzewanie?
Zasada działania kotła na paliwo stałe, choć wydaje się skomplikowana, w gruncie rzeczy opiera się na kilku prostych krokach. Oto jak to działa:
- Załadunek paliwa: Na początek, paliwo stałe (np. węgiel, pellet, drewno) jest umieszczane w komorze spalania kotła. W przypadku kotłów z podajnikiem proces ten jest zautomatyzowany.
- Proces spalania: Paliwo ulega spalaniu, wydzielając duże ilości ciepła. Kluczowe jest tutaj odpowiednie doprowadzenie powietrza, które podtrzymuje ogień i wpływa na efektywność spalania.
- Przekazywanie ciepła: Wytworzone ciepło jest następnie przekazywane do wymiennika ciepła, który zazwyczaj jest wypełniony wodą. To właśnie woda staje się nośnikiem ciepła.
- Cyrkulacja wody: Gorąca woda z wymiennika krąży w zamkniętym obiegu instalacji centralnego ogrzewania, ogrzewając grzejniki lub podłogówkę. Część tej wody może być również wykorzystywana do podgrzewania wody użytkowej w zasobniku.
Cały ten proces jest stale monitorowany i często regulowany przez system sterowania kotła, aby zapewnić optymalną temperaturę i efektywność.
Kluczowe elementy budowy kotła, które musisz znać
Aby lepiej zrozumieć, jak działa kocioł, warto poznać jego podstawowe komponenty. Jako ekspert w tej dziedzinie, zawsze zwracam uwagę na te elementy:
- Komora spalania: To serce kotła, gdzie dochodzi do spalania paliwa. Jej konstrukcja ma kluczowe znaczenie dla efektywności procesu.
- Wymiennik ciepła: Zazwyczaj jest to system rur lub płyt, przez które przepływa woda. To tutaj ciepło ze spalin jest efektywnie przekazywane do wody w instalacji.
- Podajnik paliwa (w kotłach automatycznych): Mechanizm (ślimakowy lub tłokowy) odpowiedzialny za automatyczne dostarczanie paliwa z zasobnika do komory spalania. To on odpowiada za wygodę użytkowania.
- Zasobnik paliwa (w kotłach automatycznych): Duży pojemnik, w którym magazynowane jest paliwo (np. ekogroszek, pellet) na kilka dni, a nawet tygodni.
- System sterowania: Elektroniczny mózg kotła, który monitoruje temperaturę, reguluje dopływ powietrza i paliwa, a także zarządza pracą pomp C.O. i C.W.U.
- Czopuch: Krótki odcinek rury łączący kocioł z kominem, przez który spaliny są odprowadzane na zewnątrz.
Paliwa stałe do ogrzewania: od węgla po pellet
Przejdźmy teraz do sedna, czyli do paliwa. Wybór odpowiedniego paliwa jest równie ważny, jak wybór samego kotła, ponieważ ma bezpośredni wpływ na efektywność, koszty i ekologię ogrzewania.
Ekogroszek wciąż popularny, ale czy dla każdego?
Ekogroszek to bez wątpienia jedno z najpopularniejszych paliw stałych w Polsce, zwłaszcza w regionach, gdzie węgiel jest nadal dominującym źródłem ciepła. Jest to sortyment węgla kamiennego o granulacji od 5 do 25 mm, przeznaczony głównie do spalania w nowoczesnych kotłach z automatycznym podajnikiem. Moim zdaniem, jego popularność wynika z relatywnie niskiej ceny (choć zmiennej) i wysokiej kaloryczności.
Jednak, jak sama nazwa wskazuje, aby był „eko”, musi spełniać rygorystyczne normy jakościowe dotyczące zawartości siarki, popiołu i wilgoci. Niestety, na rynku wciąż można natknąć się na produkty niskiej jakości, które nie tylko zanieczyszczają środowisko, ale także negatywnie wpływają na pracę kotła i zwiększają koszty eksploatacji. Dlatego zawsze apeluję, aby kupować ekogroszek od sprawdzonych dostawców i zwracać uwagę na certyfikaty jakości.
Pellet i biomasa ekologiczna i wygodna alternatywa
Pellet drzewny to coraz częściej wybierana alternatywa dla węgla, zwłaszcza wśród osób poszukujących bardziej ekologicznych i wygodnych rozwiązań. Jest to granulat produkowany z odpadów drzewnych (trocin, wiórów), sprasowany pod wysokim ciśnieniem. Jego główne zalety to niska zawartość siarki i popiołu, a także uznawany za zerowy bilans CO2, co oznacza, że ilość dwutlenku węgla emitowanego podczas spalania jest równa tej, którą drzewo pochłonęło w trakcie wzrostu.
Poza pelletem, do biomasy zaliczamy także inne formy, takie jak brykiet drzewny, zrębki, a nawet ziarna zbóż, np. owies, choć te ostatnie są mniej popularne. Kotły na pellet są zazwyczaj w pełni zautomatyzowane, co zapewnia wysoki komfort użytkowania, zbliżony do ogrzewania gazowego.
Drewno kawałkowe tradycja w nowoczesnym wydaniu
Drewno kawałkowe, czyli tradycyjne polana, to paliwo, które od wieków ogrzewało nasze domy. Dziś, dzięki nowoczesnym technologiom, jego spalanie może być niezwykle efektywne i ekologiczne. Mówię tu przede wszystkim o kotłach zgazowujących drewno, często nazywanych kotłami holzgas.
Te zaawansowane urządzenia wykorzystują proces pirolizy, czyli termicznego rozkładu drewna bez dostępu tlenu, co pozwala na uzyskanie gazu drzewnego. Ten gaz jest następnie spalany w osobnej komorze, osiągając bardzo wysoką temperaturę i sprawność spalania, często przekraczającą 90%. To sprawia, że drewno kawałkowe w odpowiednim kotle staje się paliwem nie tylko ekonomicznym, ale i przyjaznym dla środowiska, minimalizującym emisję szkodliwych substancji.
Jak jakość paliwa wpływa na pracę kotła i Twój portfel?
Jakość paliwa to aspekt, który często jest niedoceniany, a ma gigantyczny wpływ na całą instalację grzewczą i domowy budżet. Z mojego doświadczenia wynika, że inwestycja w dobrej jakości paliwo zawsze się zwraca.
- Wilgotność drewna: Mokre drewno ma znacznie niższą kaloryczność, co oznacza, że musisz spalić go więcej, aby uzyskać tę samą ilość ciepła. Dodatkowo, spalanie mokrego drewna prowadzi do powstawania dużej ilości sadzy i smoły, zanieczyszczając kocioł i komin, co zwiększa ryzyko pożaru i wymaga częstszego czyszczenia.
- Kaloryczność węgla/ekogroszku: Wyższa kaloryczność paliwa oznacza, że z mniejszej ilości uzyskasz więcej ciepła. To bezpośrednio przekłada się na niższe zużycie paliwa i mniejsze koszty ogrzewania.
- Zawartość popiołu w pellecie: Wysoka zawartość popiołu w pellecie oznacza częstsze opróżnianie popielnika i może prowadzić do zatykania się palnika. Dobrej jakości pellet charakteryzuje się bardzo niską zawartością popiołu, co minimalizuje obsługę.
- Zawartość siarki i substancji smolistych: Im niższa, tym lepiej dla środowiska i dla samego kotła. Wysoka zawartość tych składników przyspiesza korozję kotła i komina oraz zwiększa emisję szkodliwych substancji.
Podsumowując, wybierając paliwo, nie kieruj się wyłącznie ceną. Zawsze bierz pod uwagę jego parametry, bo to one ostatecznie zdecydują o efektywności i ekonomii Twojego ogrzewania.

Wybór kotła na paliwo stałe: przegląd typów
Skoro już wiemy, czym ogrzewamy, pora przyjrzeć się samym urządzeniom. Rynek kotłów na paliwo stałe jest dziś bardzo zróżnicowany, oferując rozwiązania dopasowane do różnych potrzeb i możliwości.
Kotły zasypowe (górnego i dolnego spalania) czy to już przeszłość?
Kotły zasypowe, zarówno górnego, jak i dolnego spalania, to rozwiązania, które dominowały rynek przez wiele lat. Ich główną cechą jest ręczny załadunek paliwa. Kotły górnego spalania charakteryzują się tym, że paliwo spala się od góry do dołu, co często prowadzi do nieefektywnego spalania i dużej emisji zanieczyszczeń, zwłaszcza przy nieumiejętnym obsłudze.
Kotły dolnego spalania są nieco bardziej zaawansowane, ponieważ paliwo spala się od dołu, a spaliny przepływają przez całą warstwę paliwa, co poprawia efektywność. Jednakże, w obliczu obecnych norm i wymogów ekologicznych, kotły zasypowe są coraz rzadziej stosowane w nowych instalacjach. Ich niższa sprawność i wyższa emisyjność sprawiają, że nie spełniają one rygorystycznych wymagań 5. klasy i Ecodesign, a w wielu regionach ich instalacja jest już po prostu zabroniona.
Kotły z podajnikiem automatycznym wygoda, na którą Cię stać
Jeśli szukasz kompromisu między ekonomią ogrzewania paliwem stałym a wygodą użytkowania, to kotły z podajnikiem automatycznym są obecnie najpopularniejszym i najbardziej rekomendowanym rozwiązaniem. Na rynku dominują dwa typy podajników: ślimakowe (najczęściej do ekogroszku i pelletu) oraz tłokowe (do ekogroszku, a czasem także do groszku i miału).
Ich kluczową zaletą jest automatyczne dozowanie paliwa z zasobnika do komory spalania, co sprawia, że kocioł może pracować bezobsługowo przez wiele dni, a nawet tygodni. To ogromna wygoda! Nowoczesne kotły z podajnikiem na ekogroszek lub pellet spełniają normy 5. klasy i Ecodesign, co gwarantuje wysoką sprawność i niską emisję zanieczyszczeń. Moim zdaniem, to właśnie te urządzenia stanowią przyszłość ogrzewania paliwami stałymi w domach jednorodzinnych.
Kotły zgazowujące drewno maksymalna wydajność z każdego polana
Dla miłośników ogrzewania drewnem, którzy jednocześnie cenią sobie maksymalną efektywność i ekologię, idealnym rozwiązaniem są kotły zgazowujące drewno, znane również jako kotły holzgas. Jak już wspominałem, ich działanie opiera się na procesie pirolizy.
W uproszczeniu, drewno w specjalnej komorze jest podgrzewane w warunkach ograniczonego dostępu tlenu, co prowadzi do wydzielania gazu drzewnego. Ten gaz jest następnie dopalany w drugiej komorze, osiągając bardzo wysoką temperaturę i niemal całkowite spalanie. Dzięki temu kotły zgazowujące drewno osiągają imponującą sprawność, często przekraczającą 90%, a emisja szkodliwych substancji jest minimalna. To rozwiązanie, które pozwala w pełni wykorzystać potencjał energetyczny każdego polana.
Klasy i certyfikaty kotłów: co musisz wiedzieć o normach?
Współczesne ogrzewanie to nie tylko kwestia wyboru paliwa czy typu kotła, ale także a może przede wszystkim przestrzeganie rygorystycznych norm. Jako ekspert, zawsze podkreślam, że znajomość klas i certyfikatów jest absolutnie niezbędna.
Co to jest 5. klasa emisji i dlaczego jest obowiązkowa?
Pojęcie 5. klasy emisyjnej to absolutna podstawa, którą każdy właściciel kotła na paliwo stałe powinien znać. Jest to standard określony w normie PN-EN 303-5:2012, który wyznacza minimalne wymagania dotyczące efektywności energetycznej i maksymalne dopuszczalne poziomy emisji zanieczyszczeń dla kotłów na paliwa stałe. Od 2017 roku wszystkie nowe kotły wprowadzane do obrotu w Polsce muszą spełniać wymagania 5. klasy.
Co to oznacza w praktyce? Przede wszystkim bardzo wysoką sprawność energetyczną minimum 88-89% w zależności od mocy kotła. Dodatkowo, kotły te charakteryzują się znacznie niższą emisją pyłów, tlenku węgla (CO) oraz organicznych związków gazowych w porównaniu do starszych urządzeń. To kluczowy element walki ze smogiem i poprawy jakości powietrza, dlatego tak ważne jest, aby wybierać tylko kotły z certyfikatem 5. klasy.
Ecodesign (Ekoprojekt) unijny standard, który musisz spełniać
Oprócz 5. klasy, niezwykle ważnym standardem jest Ecodesign, czyli Ekoprojekt. To unijny wymóg, który wszedł w życie we wszystkich krajach członkowskich, w tym w Polsce. Ekoprojekt idzie o krok dalej niż 5. klasa, określając jeszcze bardziej restrykcyjne normy emisyjne, ale co równie istotne, wprowadza także wymóg dotyczący sezonowej efektywności energetycznej.
Oznacza to, że kocioł musi być efektywny nie tylko w warunkach laboratoryjnych, ale także w rzeczywistych warunkach użytkowania przez cały sezon grzewczy. Certyfikat Ecodesign jest więc uzupełnieniem i rozszerzeniem wymagań 5. klasy, gwarantując, że urządzenie jest nie tylko wydajne, ale i przyjazne dla środowiska w długoterminowej perspektywie. Zawsze upewnij się, że Twój nowy kocioł posiada oba te certyfikaty.
Jak odczytać tabliczkę znamionową kotła i sprawdzić jego parametry?
Tabliczka znamionowa to dowód osobisty każdego kotła. Zawiera kluczowe informacje, które pozwolą Ci zweryfikować jego zgodność z normami i dopasowanie do Twoich potrzeb. Oto, na co warto zwrócić uwagę:
- Klasa emisji: Szukaj oznaczenia „Klasa 5” lub „5. klasa” zgodnie z PN-EN 303-5:2012. To absolutna podstawa.
- Zgodność z Ecodesign: Sprawdź, czy na tabliczce lub w dokumentacji jest informacja o spełnieniu wymogów Ekoprojektu (Ecodesign).
- Moc nominalna (kW): To najważniejszy parametr określający wydajność kotła. Musi być odpowiednio dobrana do zapotrzebowania cieplnego Twojego domu.
- Numer seryjny i rok produkcji: Ważne dla celów gwarancyjnych i serwisowych.
- Producent i model: Podstawowe dane identyfikacyjne.
- Typ paliwa: Informacja o tym, do jakiego paliwa kocioł jest przeznaczony (np. ekogroszek, pellet, drewno).
Pamiętaj, że brak tych informacji na tabliczce znamionowej lub w dokumentacji powinien wzbudzić Twoje podejrzenia. Zawsze proś sprzedawcę o pełną dokumentację i certyfikaty.
Kocioł na paliwo stałe a prawo: aktualne przepisy w Polsce
W Polsce, podobnie jak w całej Unii Europejskiej, kwestie ogrzewania paliwami stałymi są coraz bardziej regulowane. Zrozumienie aktualnych przepisów jest kluczowe, aby uniknąć kar i móc skorzystać z dostępnych programów wsparcia.
Uchwały antysmogowe w Twoim województwie sprawdź obowiązujące terminy
Jednym z najważniejszych aspektów prawnych, o których musisz wiedzieć, są uchwały antysmogowe. Wiele województw w Polsce, w trosce o jakość powietrza, wprowadziło lokalne przepisy, które określają terminy obowiązkowej wymiany starych, nieefektywnych kotłów na paliwo stałe potocznie nazywanych „kopciuchami”.
Te uchwały precyzują daty, do których musisz wymienić kocioł pozaklasowy (bezklasowy), a także kotły niższych klas (3. i 4.). Terminy te różnią się w zależności od regionu, dlatego absolutnie kluczowe jest, abyś sprawdził/a, jakie przepisy obowiązują w Twoim województwie i gminie. Niewywiązanie się z tych obowiązków może skutkować wysokimi karami finansowymi. Informacje znajdziesz na stronach urzędów marszałkowskich lub gminnych.
Program "Czyste Powietrze" jak uzyskać dofinansowanie na wymianę kotła?
Dobra wiadomość jest taka, że państwo oferuje wsparcie w procesie wymiany starych urządzeń grzewczych. Mowa tu o programie „Czyste Powietrze”, który jest jednym z największych programów dofinansowań w Polsce, mającym na celu poprawę jakości powietrza i efektywności energetycznej budynków mieszkalnych.
W ramach programu możesz uzyskać znaczące dofinansowanie na wymianę starego „kopciucha” na nowoczesny kocioł na paliwo stałe spełniający normy 5. klasy i Ecodesign (np. kocioł na pellet lub zgazowujący drewno). Wysokość dotacji jest uzależniona od Twoich dochodów i może pokrywać znaczną część kosztów inwestycji. To doskonała okazja, aby unowocześnić swoje ogrzewanie, zadbać o środowisko i jednocześnie odciążyć domowy budżet. Zachęcam do zapoznania się ze szczegółami programu na stronie Narodowego Funduszu Ochrony Środowiska i Gospodarki Wodnej.
Obowiązki związane z przeglądem i konserwacją urządzenia
Posiadanie kotła na paliwo stałe wiąże się z pewnymi obowiązkami, które są kluczowe dla bezpieczeństwa, efektywności i długowieczności urządzenia. Jako użytkownik, musisz pamiętać o:
- Regularnych przeglądach technicznych: Kotły powinny być serwisowane przez uprawnionych specjalistów zgodnie z zaleceniami producenta, zazwyczaj raz w roku.
- Czyszczeniu komina: Systematyczne czyszczenie przewodów kominowych jest nie tylko wymogiem prawnym, ale przede wszystkim kwestią bezpieczeństwa. Zanieczyszczony komin to ryzyko pożaru sadzy i zatrucia tlenkiem węgla.
- Konserwacji urządzenia: Obejmuje to regularne czyszczenie komory spalania, wymiennika ciepła, popielnika oraz dbanie o czystość podajnika i zasobnika (w kotłach automatycznych).
- Stosowaniu odpowiedniego paliwa: Jak już wspomniałem, używanie paliwa niskiej jakości może prowadzić do awarii i utraty gwarancji.
Przestrzeganie tych zasad nie tylko zapewni Ci spokój ducha, ale także pozwoli na optymalną pracę kotła i niższe rachunki za ogrzewanie.
Kocioł na paliwo stałe: czy to rozwiązanie dla Ciebie?
Na koniec, podsumujmy wszystkie informacje, aby pomóc Ci podjąć świadomą decyzję. Czy kocioł na paliwo stałe to dobre rozwiązanie dla Twojego domu?
Kluczowe zalety nowoczesnych kotłów
Nowoczesne kotły na paliwo stałe, wbrew obiegowym opiniom, mają wiele do zaoferowania. Oto ich kluczowe zalety, na które zawsze zwracam uwagę:
- Wysoka sprawność: Urządzenia 5. klasy i Ecodesign osiągają sprawność powyżej 88-90%, co przekłada się na efektywne wykorzystanie paliwa.
- Niższe koszty eksploatacji: W porównaniu do starych „kopciuchów”, nowoczesne kotły zużywają znacznie mniej paliwa, co obniża rachunki za ogrzewanie. Często są też tańsze w eksploatacji niż ogrzewanie gazowe czy elektryczne.
- Możliwość automatyzacji: Kotły z podajnikiem oferują wysoki komfort użytkowania, zbliżony do ogrzewania gazowego, dzięki automatycznemu dozowaniu paliwa.
- Ekologiczność (dla pelletu/drewna): Spalanie biomasy, zwłaszcza w kotłach zgazowujących drewno czy na pellet, jest znacznie bardziej przyjazne dla środowiska niż spalanie niskiej jakości węgla.
- Dostępność dofinansowań: Programy takie jak „Czyste Powietrze” znacząco obniżają koszt inwestycji w nowy, ekologiczny kocioł.
Przeczytaj również: Podłączenie kotła elektrycznego do C.O.: Schematy, błędy, porady
Wady i wyzwania, o których warto pamiętać przed zakupem
Oczywiście, żaden system grzewczy nie jest pozbawiony wad. Zanim podejmiesz decyzję, warto rozważyć również potencjalne wyzwania:
- Konieczność magazynowania paliwa: Niezależnie od tego, czy to węgiel, pellet czy drewno, potrzebujesz odpowiedniego miejsca do przechowywania paliwa, które musi być suche i zabezpieczone.
- Pewien poziom obsługi: Nawet najbardziej zautomatyzowane kotły wymagają regularnego uzupełniania paliwa (choć rzadziej) i opróżniania popielnika.
- Zmienność cen paliw: Ceny węgla, pelletu czy drewna mogą podlegać wahaniom rynkowym, co wpływa na przewidywalność kosztów ogrzewania.
- Wymogi prawne i lokalne uchwały antysmogowe: Jak już omawialiśmy, musisz być na bieżąco z przepisami i terminami wymiany kotłów w Twojej okolicy.
- Emisja zanieczyszczeń (w przypadku węgla): Mimo że nowoczesne kotły 5. klasy są znacznie czystsze, spalanie węgla zawsze wiąże się z pewną emisją pyłów i gazów, co może być problematyczne w rejonach o szczególnie restrykcyjnych uchwałach.
Mam nadzieję, że ten kompleksowy przewodnik pomoże Ci podjąć najlepszą decyzję dla Twojego domu i portfela, z poszanowaniem dla środowiska.
